Kontaktujte nás: info@in-eco.sk

Membránová dmychadla Alita

spolehlivé dmychadla do ČOV, na provzdušňování a jiné aplikace.

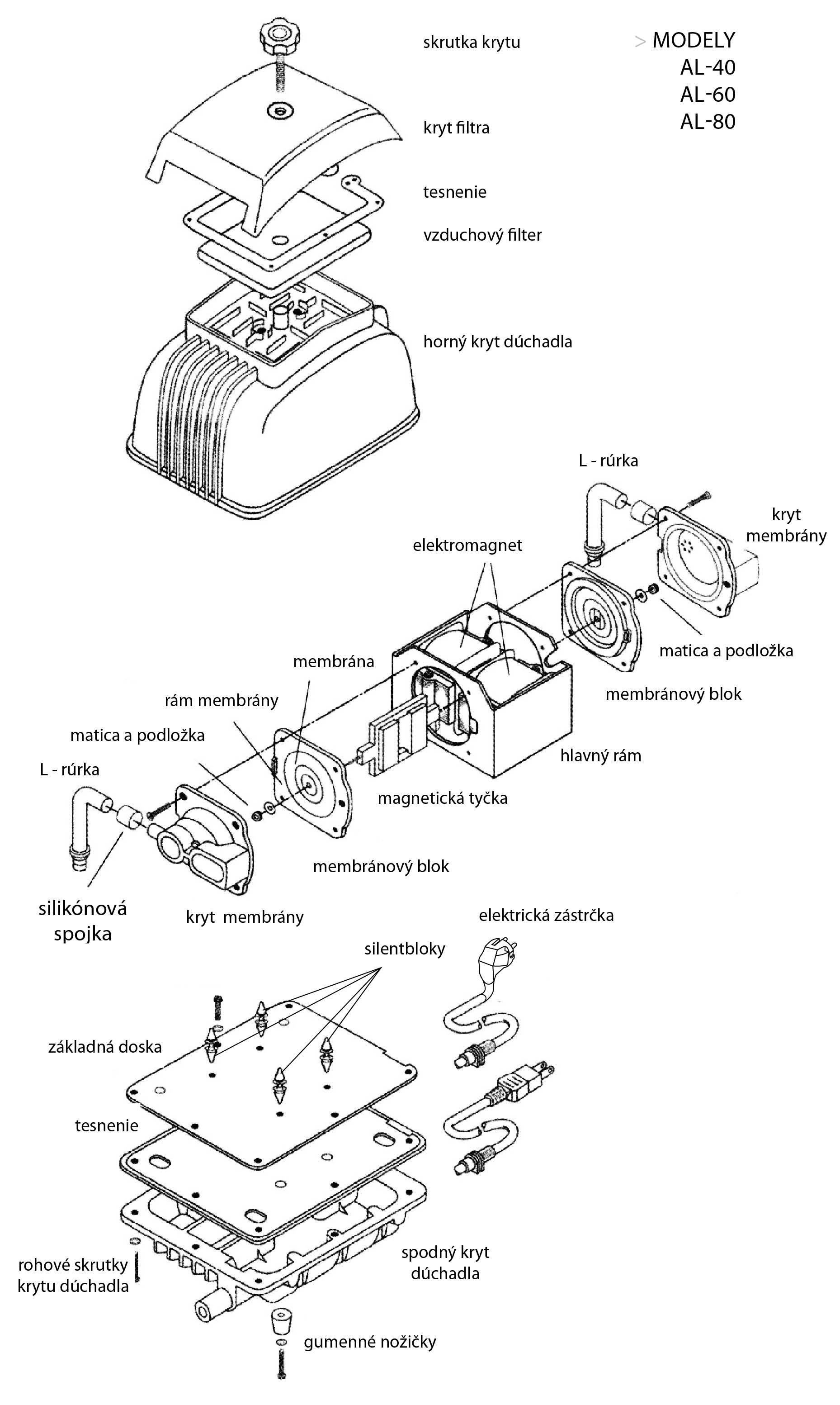
Schéma dúchadla a náhradné diely

Pravidelná kontrola dmychadla jak na to?